GM Engine & Exhaust Performance EFI | GEN I/GEN II/GEN III/GEN IV Engines |Small Block | Big Block |

EFan problem....not a tuning issue

Thread Tools
 
Search this Thread
 
Old Mar 13, 2011 | 10:49 AM
  #21  
01Blackerado's Avatar
Thread Starter
TECH Fanatic
iTrader: (4)
 
Joined: Mar 2004
Posts: 1,598
Likes: 0
From: Fairfax, VA
Default

Ok just incase someone new comes in on this thread, this will save you from reading all these posts to catch up to this issue.

Here's what has been done to troubleshoot this e fan problem thus far:

1: High Pressure switch on the A/C... thinking this is the culprit but not sure. I was told that if I disconnect the connection though it should turn the fans off and that will let me know if it is or isnt the problem. Well I disconnected it and the fans still stay on. Im juggling the thought of if the switch is disconnected, does the PCM treat this switch as if it was simply faulty? What i mean is even though i took the connection off the switch, the PCM will still look at it as a faulty or non responsive switch and kick the fans on, correct???

2: Checked with three different PCM's and they all result in the same thing. Key on ignition on OR off pin 42 has a constant ground signal instead of waiting for the on temps.

3: Removed the fan wiring harness completely from the equation and have been testing the wire that is in the 42/blue slot so that im not getting conflicting data from a possible faulty relay

What else could I be missing!? Does anyone know if the A/C pressure switch could be the issue even though i have it disconnected? I mean should it turn the fans off or would it simply keep them on and treat a "Non connected Switch" the same as a "Faulty or Bad" switch!?
Reply
Old Mar 13, 2011 | 12:55 PM
  #22  
bullygoat's Avatar
On The Tree
 
Joined: Sep 2004
Posts: 174
Likes: 0
Default

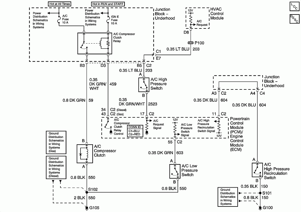
There is a third pressure switch. I had to check SI to find it. It is on A/C line heading to the condenser.


It's possible that that switch is bad or the wiring could be shorted because I believe it runs where the E-fans are installed. This is actually called the recirculation switch. It would close the recirculation door to help bring A/C pressures down, or in the e-fan case, turn the fans on.
Attached Thumbnails EFan problem....not a tuning issue-397231.gif  
Reply
Old Mar 13, 2011 | 02:03 PM
  #23  
01Blackerado's Avatar
Thread Starter
TECH Fanatic
iTrader: (4)
 
Joined: Mar 2004
Posts: 1,598
Likes: 0
From: Fairfax, VA
Default

Damn I just pulled that one too... **** still kicked on the ground wire. Ok now im thinking that i might need actually replace them, cause there should be no other reason for these to be on now....at least none that i know of. Ill try picking up some new switches and see if I have any better luck. Thank you for all your help cause i wouldnt even be half this far without your knowledge
Reply
Old Mar 13, 2011 | 06:01 PM
  #24  
CurtD's Avatar
10 Second Truck Club
iTrader: (7)
 
Joined: Jun 2002
Posts: 1,058
Likes: 0
From: Shelby County, Al.
Default

Mine is doing the same as yours. I'm going to have a friend troubleshoot it for me.
If he figures it out, I'll post what he finds. Good luck
Reply
Old Mar 13, 2011 | 08:13 PM
  #25  
bullygoat's Avatar
On The Tree
 
Joined: Sep 2004
Posts: 174
Likes: 0
Default



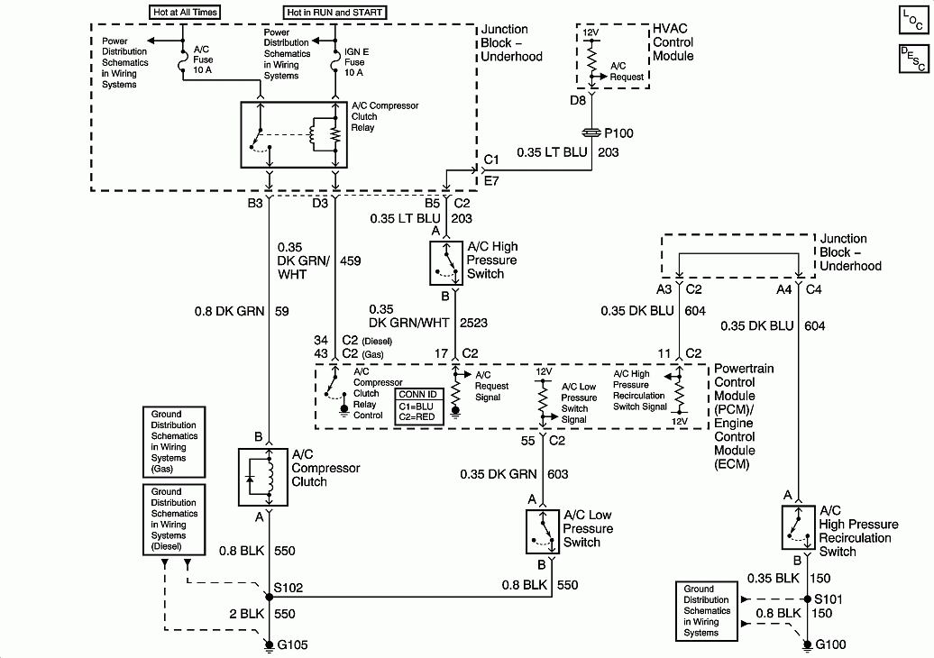
Here's the diagram for the A/C switches. Try pulling pin 11 from C2 and see if the fans still run. That switch should close and supply ground to the PCM when refrigerant pressure is high. If there is a short to ground, it will simulate high pressure. Switches should be the last thing you do.
Attached Thumbnails EFan problem....not a tuning issue-663082.gif  
Reply
Old Mar 13, 2011 | 08:54 PM
  #26  
01Blackerado's Avatar
Thread Starter
TECH Fanatic
iTrader: (4)
 
Joined: Mar 2004
Posts: 1,598
Likes: 0
From: Fairfax, VA
Default

Nice thanks again bro, Ill give this a shot tomorrow morning and post up some results
Reply
Old Mar 14, 2011 | 03:36 PM
  #27  
01Blackerado's Avatar
Thread Starter
TECH Fanatic
iTrader: (4)
 
Joined: Mar 2004
Posts: 1,598
Likes: 0
From: Fairfax, VA
Default

Well, bad news... I cut 11 red, and still KOEO and ignition on same result
Reply
Old Mar 14, 2011 | 03:37 PM
  #28  
01Blackerado's Avatar
Thread Starter
TECH Fanatic
iTrader: (4)
 
Joined: Mar 2004
Posts: 1,598
Likes: 0
From: Fairfax, VA
Default

Ill try 17 real quick and see what happens
Reply
Old Mar 14, 2011 | 03:38 PM
  #29  
bullygoat's Avatar
On The Tree
 
Joined: Sep 2004
Posts: 174
Likes: 0
Default

Can you command the fans off with EFI-live?
Reply
Old Mar 14, 2011 | 03:47 PM
  #30  
01Blackerado's Avatar
Thread Starter
TECH Fanatic
iTrader: (4)
 
Joined: Mar 2004
Posts: 1,598
Likes: 0
From: Fairfax, VA
Default

FML, even without 17 it STILL turns the ground signal to 42 on.

Thats all three sensor connections, the A/C power connection itself, 11red and 17 red... WTF am i missing lol
Reply



All times are GMT -5. The time now is 02:49 PM.