Schematics, Pinoouts, Training Materials, Technical Documents
#51
Can I get some on where both bank 1 and bank 2 sensor 2 wires meet? Also a full one of it coming from the PCM all the down please...
2005 GMC Sierra
5.3L V-8 4x4
Hope that made sense, lol. I have codes P0054 and P0060 I'm trying to get fixed now. Truck has 96,200 on it.
2005 GMC Sierra
5.3L V-8 4x4
Hope that made sense, lol. I have codes P0054 and P0060 I'm trying to get fixed now. Truck has 96,200 on it.
#54
Sorry I never replied. I have been bead blasting all of the suspension parts for the 66 427 Vette on and off for over a week. The rust is thick and the cabinet has a big cloud of dust around it. I have been just a little sick for about a week now. I think the rust dust is the cause.
I will take a look and post back
I will take a look and post back
#56
Moveable Window Schematics
Figure 1: Left Doors AN3/DL3
Figure 2: Right Doors AN3/DL3
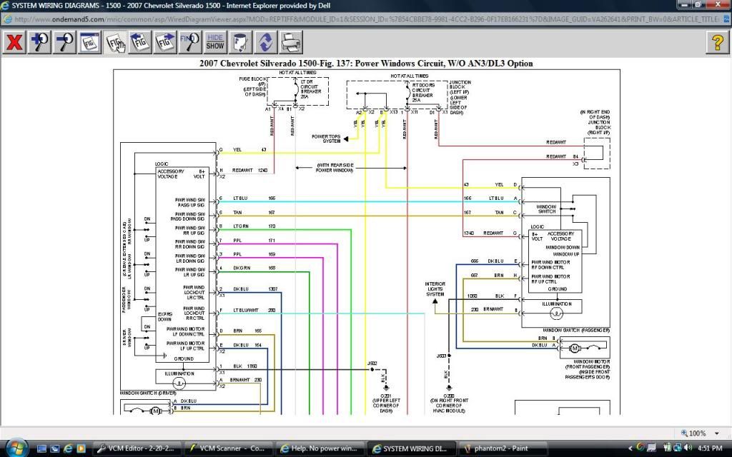
Figure 3: Left Doors Except AN3/DL3
Figure 4: Right Doors Except AN3/DL3
Figure 5: Sliding Rear Window (A48)
Figure 1: Left Doors AN3/DL3

Figure 2: Right Doors AN3/DL3

Figure 3: Left Doors Except AN3/DL3

Figure 4: Right Doors Except AN3/DL3

Figure 5: Sliding Rear Window (A48)
Figure 1: Left Doors AN3/DL3
Figure 2: Right Doors AN3/DL3
Figure 3: Left Doors Except AN3/DL3
Figure 4: Right Doors Except AN3/DL3
Figure 5: Sliding Rear Window (A48)
Figure 1: Left Doors AN3/DL3

Figure 2: Right Doors AN3/DL3

Figure 3: Left Doors Except AN3/DL3

Figure 4: Right Doors Except AN3/DL3

Figure 5: Sliding Rear Window (A48)





