Schematics, Pinoouts, Training Materials, Technical Documents
#71
I need the pin out for a E67 PCM on a 2010 Colorado 3LT 5.3, I want to install an e-fan and need to know witch pin out i need to use to set
the on/off temp settings.
thanks in advance. turboal@aol.com
the on/off temp settings.
thanks in advance. turboal@aol.com
Last edited by turboal1; Jun 28, 2012 at 09:04 PM.
#72
This may be the wrong section but I'm throwing it out here..
I'm looking for a circuit I can tap that is tied into the approach or exit lights so I can get the puddle lights on my mirrors to operate with the other approach and exit lights. I have a 2011 LT and I'm hard wiring the power fold and puddle lights because I don't have door modules.
Currently, my plan is to tie into the "DOMELIGHT SUPERVISION GRAY (+) @ BCM, (WHITE Plug) Pin 5" but I wasn't sure if that would get the desired results. I'm imagining the puddle lights coming on if I turn on the dome lights going down the interstate or something, maybe it's not a big deal.
Thanks.
I'm looking for a circuit I can tap that is tied into the approach or exit lights so I can get the puddle lights on my mirrors to operate with the other approach and exit lights. I have a 2011 LT and I'm hard wiring the power fold and puddle lights because I don't have door modules.
Currently, my plan is to tie into the "DOMELIGHT SUPERVISION GRAY (+) @ BCM, (WHITE Plug) Pin 5" but I wasn't sure if that would get the desired results. I'm imagining the puddle lights coming on if I turn on the dome lights going down the interstate or something, maybe it's not a big deal.
Thanks.
#73
Looking for some guidance please.
I picked up some 05 fully electric/leather seats and am going to put them in my 07 classic work truck.
The harness plugs are close size wise but won't snap together because of a plastic finger sticking out of the seat harness.
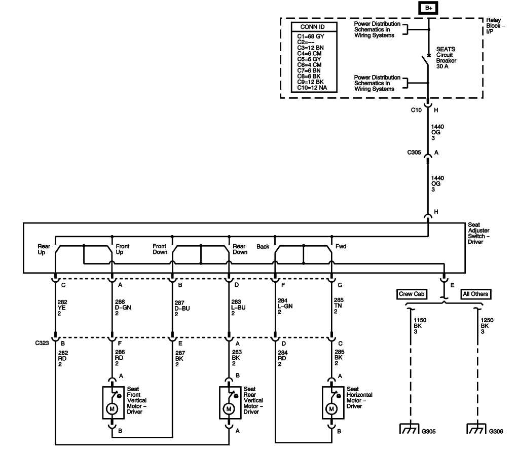
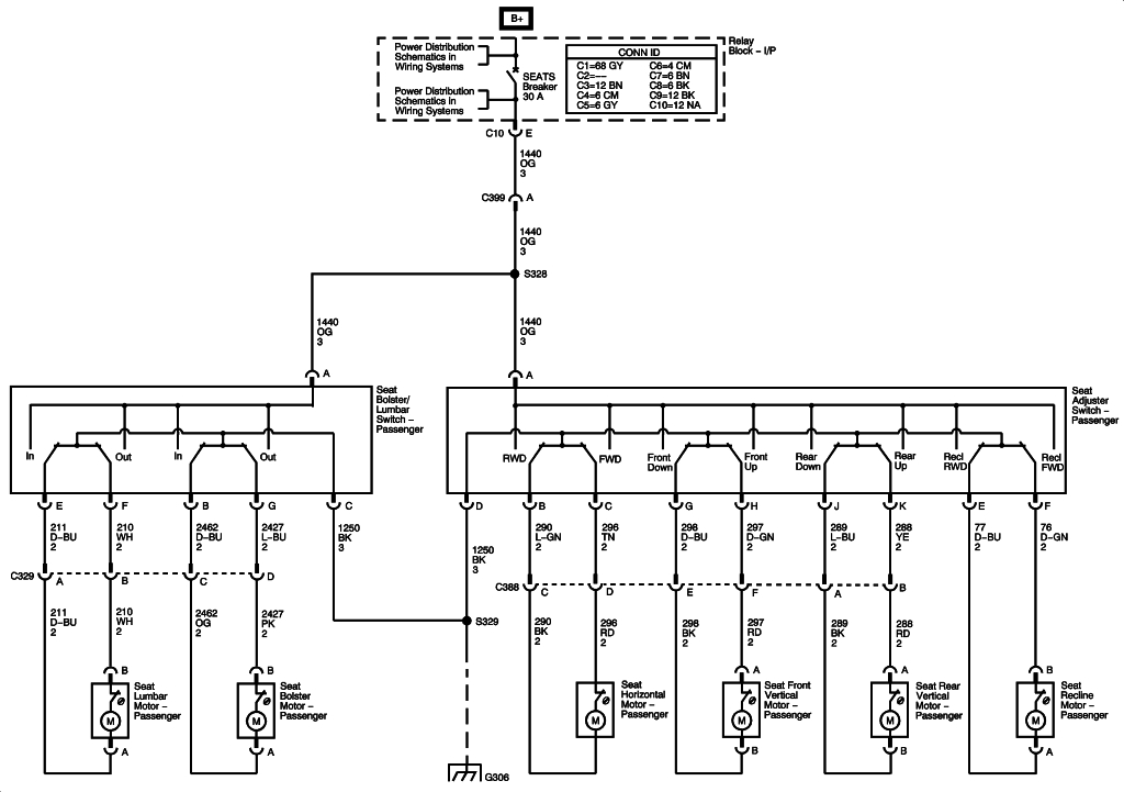
What I'm trying to find is a schematic for the loaded seats so I can just wire up all the motors and get it working. not worried about the air bag sensors or the heaters, just what I need to supply ign12v and ground to.
Thank you.
I picked up some 05 fully electric/leather seats and am going to put them in my 07 classic work truck.
The harness plugs are close size wise but won't snap together because of a plastic finger sticking out of the seat harness.
What I'm trying to find is a schematic for the loaded seats so I can just wire up all the motors and get it working. not worried about the air bag sensors or the heaters, just what I need to supply ign12v and ground to.
Thank you.
Last edited by 05z71; Nov 20, 2012 at 07:47 AM.
#75
2005 GMT-800 Seats
Drivers Seat Connctor


Drivers Seat 6 way (AG1)

Power - Ground - Serial Data - Seat Controls AG1 with AN3

Seat Motors AG1 AN3

Heated Seats AN3

Passengers ---- Power - Ground - Serial data - Seat Controls

Pass --- Heated Seats
Drivers Seat Connctor


Drivers Seat 6 way (AG1)

Power - Ground - Serial Data - Seat Controls AG1 with AN3

Seat Motors AG1 AN3

Heated Seats AN3

Passengers ---- Power - Ground - Serial data - Seat Controls

Pass --- Heated Seats
#76
2007 GMT-800 seats
Drivers Seat Connector


Drivers Seat --- 6 way

Drivers Seat --- Power - Ground - Serial Data - Seat Controls

Drivers Seat --- Seat Motors and Position Sensors

Passengers Seat
Drivers Seat Connector


Drivers Seat --- 6 way

Drivers Seat --- Power - Ground - Serial Data - Seat Controls

Drivers Seat --- Seat Motors and Position Sensors

Passengers Seat
#78
Can i get a pinout for ECU on a 2011 silverado 1500 6.2L need to locate egr pin to connect wideband for autocal tuning
Last edited by CoreyO93; Dec 4, 2012 at 06:32 AM.
#79
i dont know where else to turn for advice so i am trying here. i bought a "uncut" wiring harness from a member on here who didnt tell me the neutral safety switch plugs were missing. while trying to solder in new connectors i have come across multiple wires that are the same color. can you pull a diagram up that shows me where all the wires come from so i can ohm out each wire to make sure its connected correctly please.


