security message issue on an 01
#1
i hope i have this posted in the right spot. i have an 01 silverado and the passlock screwed up and i put hp tuners on it and turned vats off. well the problem is the security message is flashing when it runs and when the key is off it stays lit and ends up killing the battery. question is there a wire i can cut to keep that message from reaching the speedo? from researching i found out the gray wire is the serial data wire that goes into the speedo but is there one i could disconnect before it gets to that point?
#3
Joined: Oct 2004
Posts: 4,985
Likes: 54
From: somewhere in TX
Nope no way around it got to fix it right or problem will keep happening. You can't cut serial data communication to the gauge cluster or all of your gauges will cease to function.
Gotta scan the code in the ecm or bcm then repair it as necessary theres no hack way around it.
Gotta scan the code in the ecm or bcm then repair it as necessary theres no hack way around it.
#5
I'll be in the same boat shortly, I WILL make the truck work without Passlock, and am curious if cutting serial data by using a relay would suffice as it appears. No fear regarding wiring mods as I was a Comm/Nav troop in a previous life. Relays and sockets are cheap and connecting them isn't rocket surgery.
Relay would be actuated with ignition in Start and Run.
Any suggestions as to which line(s) (data or power) I should use relay(s) to interrupt, perhaps power to BCM or Driver Information Center?
Thanks in advance!
I'm coming from the Blue Oval world but got a 2000 K1500 with a complete 2002 drivetrain (a "one out of two" unfinished by a buds used car business before he retired due to poor health) for not much over scrap price. Couldn't resist, and I might even like it.
BTW I convert downloaded or print-to file .pdf pages from online manuals to .jpg for posting by importing them into GIMP then saving as .jpgs. Fast and free. I use it on Linux but Gnu Image Manipulation Program is available for Windows.
Relay would be actuated with ignition in Start and Run.
Any suggestions as to which line(s) (data or power) I should use relay(s) to interrupt, perhaps power to BCM or Driver Information Center?
Thanks in advance!
I'm coming from the Blue Oval world but got a 2000 K1500 with a complete 2002 drivetrain (a "one out of two" unfinished by a buds used car business before he retired due to poor health) for not much over scrap price. Couldn't resist, and I might even like it.
BTW I convert downloaded or print-to file .pdf pages from online manuals to .jpg for posting by importing them into GIMP then saving as .jpgs. Fast and free. I use it on Linux but Gnu Image Manipulation Program is available for Windows.
Last edited by casement; Mar 30, 2014 at 06:56 PM.
#6
If you want to ditch Passlock, you have to ditch the BCM and the OE gauge cluster. No other way to bypass the system or filter the security checks. If you trim the serial data by using relays, the BCM will trip out, leading the the security system attempting to activate and blinking the security message in the cluster. You'll also have to disable VATS via a tune in the PCM, so the PCM won't look for an authentication password before allowing fuel.
THEFT DETERRENT CONTROL MODULE
Vehicles with steering column mounted ignition switches have the exciter integral with the theft deterrent control module which is located within the steering column. Vehicles with instrument panel mounted ignition switches have exciter modules separate from the theft deterrent control module with the vehicle wiring harness connecting the two. The theft deterrent control module for vehicles with instrument panel mounted ignition switches is located within the instrument panel. The theft deterrent control module can learn up to ten keys (transponder values).
The theft deterrent control module uses the following inputs, battery voltage, ignition switched voltage and ground circuit. The theft deterrent control module uses the following outputs, password exchange with the PCM, fuel enable/disable via the serial data circuit.
When an ignition key is inserted into the ignition lock cylinder and the ignition is switched ON, the transponder embedded in the head of the key is energized by the exciter coils surrounding the ignition lock cylinder. The energized transponder transmits a signal that contains its unique value, which is received by the theft deterrent control module. The theft deterrent control module then compares this value to a value stored in memory, learned key code.
If the value is correct the theft deterrent control module sends a random generated number to the transponder, this is called a challenge. Both the transponder and the theft deterrent control module perform a calculation on the challenge. The theft deterrent control module then performs one of the following functions:
The PCM verifies that the password received from the theft deterrent control module via the serial data circuit is correct. The PCM can learn only one fuel continue password. If the fuel continue password is correct, the PCM enables the starting and fuel delivery systems.
The PCM disables the starting and fuel delivery systems if any of the following conditions occur:
The ignition key on vehicles equipped with the passkey III+ system is a typical locking ignition key with a transponder located in the plastic end of the key. The transponder value is fixed and unable to be changed. The VTD system uses the ignition key transponder value to determine if a valid ignition key is being used to start the vehicle. There are approximately three trillion possible transponder values. There are no visible electrical contacts. The keys may be identified by the letters PK3+ stamped into the steel shank of the key. The VTD systems use the following types of ignition keys:
Vehicles with steering column mounted ignition switches have the exciter integral with the theft deterrent control module which is located within the steering column. Vehicles with instrument panel mounted ignition switches have exciter modules separate from the theft deterrent control module with the vehicle wiring harness connecting the two. The theft deterrent control module for vehicles with instrument panel mounted ignition switches is located within the instrument panel. The theft deterrent control module can learn up to ten keys (transponder values).
The theft deterrent control module uses the following inputs, battery voltage, ignition switched voltage and ground circuit. The theft deterrent control module uses the following outputs, password exchange with the PCM, fuel enable/disable via the serial data circuit.
When an ignition key is inserted into the ignition lock cylinder and the ignition is switched ON, the transponder embedded in the head of the key is energized by the exciter coils surrounding the ignition lock cylinder. The energized transponder transmits a signal that contains its unique value, which is received by the theft deterrent control module. The theft deterrent control module then compares this value to a value stored in memory, learned key code.
If the value is correct the theft deterrent control module sends a random generated number to the transponder, this is called a challenge. Both the transponder and the theft deterrent control module perform a calculation on the challenge. The theft deterrent control module then performs one of the following functions:
- If both the transponder value and the calculation to the challenge are correct, the theft deterrent control module will send the fuel continue password to the PCM via the serial data circuit.
- If either the transponders unique value or the calculation to the challenge is incorrect the theft deterrent control module will send the fuel disable password to the PCM via the serial data circuit.
- If the theft deterrent control module is unable to measure the ignition key transponder value for one second due to a damaged or missing pellet or a damaged exciter, the theft deterrent control module will send the fuel disable password to the PCM via the serial data circuit.
The PCM verifies that the password received from the theft deterrent control module via the serial data circuit is correct. The PCM can learn only one fuel continue password. If the fuel continue password is correct, the PCM enables the starting and fuel delivery systems.
The PCM disables the starting and fuel delivery systems if any of the following conditions occur:
- The fuel continue password is incorrect.
- The fuel disable password is sent by the theft deterrent control module.
- No passwords are received - there is no communication with the theft deterrent control module.
The ignition key on vehicles equipped with the passkey III+ system is a typical locking ignition key with a transponder located in the plastic end of the key. The transponder value is fixed and unable to be changed. The VTD system uses the ignition key transponder value to determine if a valid ignition key is being used to start the vehicle. There are approximately three trillion possible transponder values. There are no visible electrical contacts. The keys may be identified by the letters PK3+ stamped into the steel shank of the key. The VTD systems use the following types of ignition keys:
Last edited by Suburbazine; Mar 31, 2014 at 01:18 AM.
#7
Thanks for the reply.
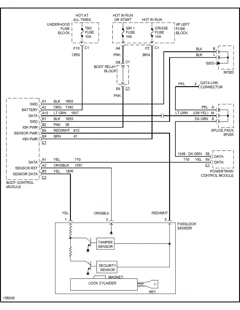
My system is a non-transponder version as shown in the posted schematic so I was going to spoof the BCM signal with a module to get the truck running then later send off the PCM for theft and rear O2 sensor disable.
I'd like to isolate potential Passlock malfunctions so they don't interfere with driving the truck, but retain the OE guage cluster. I could remove the Security LED if it flashing is all that will result from BCM sensing tamper. Looks like access is easy enough: https://www.youtube.com/watch?v=s4Jbr-o3d0c
I'll do the ignition key resistor bypass to attempt to pacify the BCM first, but I don't want to rely on the BCM for anything vital.
Anything else I should watch out for?
My system is a non-transponder version as shown in the posted schematic so I was going to spoof the BCM signal with a module to get the truck running then later send off the PCM for theft and rear O2 sensor disable.
I'd like to isolate potential Passlock malfunctions so they don't interfere with driving the truck, but retain the OE guage cluster. I could remove the Security LED if it flashing is all that will result from BCM sensing tamper. Looks like access is easy enough: https://www.youtube.com/watch?v=s4Jbr-o3d0c
I'll do the ignition key resistor bypass to attempt to pacify the BCM first, but I don't want to rely on the BCM for anything vital.
Anything else I should watch out for?
Last edited by casement; Mar 31, 2014 at 07:44 AM.
Thread
Thread Starter
Forum
Replies
Last Post
murderedSS
Tuning, Diagnostics, Electronics, and Wiring
27
Oct 12, 2015 11:13 AM




