PerformanceTrucks.net Forums
  • LOG IN
  • REGISTER
  • Forums
    • WELCOME TO PERFORMANCE TRUCKS.NET
      • Guidelines and Announcements
      • New Members
      • Site Suggestions
    • SPONSOR'S CORNER
      • Sponsor's Announcements, Sales, and Specials
      • Sponsor Feedback
      • SPONSOR PROJECTS, BUILDS, & CUSTOMERS TRUCKS
    • GENERAL TRUCK PERFORMANCE, PROJECTS, & GROUP DISCUSSION...specifically
      • PROJECTS GALLERY
      • INTERNAL ENGINE MODIFICATIONS
      • FUEL SYSTEMS
      • FORCED INDUCTION
      • NITROUS OXIDE
      • SHOW & SHINE DISCUSSION
      • STEREO & ELECTRONICS
      • TOWING & OFFROAD PERFORMANCE
      • TOOLS & FABRICATION
      • TECHNICAL WRITE-UPS
      • Sponsors SPECIALS!
    • GENERAL MOTORS SPECIFIC FORUMS
      • GM Engine & Exhaust Performance
      • 8-Lug Truck Performance
      • Tuning, Diagnostics, Electronics, and Wiring
      • GM Drivetrain & Suspension
      • GMT 800 & Older GM General Discussion
      • GMT 900 Trucks General Discussion
      • GMT K2xx Trucks General Discussion
      • TrailBlazer SS
      • Silverado SS, Joe Gibbs Editions, SSR
      • Midsize & Compact Trucks
      • Classic Trucks
    • FORD / LINCOLN SPECIFIC FORUMS
      • Ford Engine & Exhaust Performance
      • Powerstroke Diesel Performance
      • Tuning, Diagnostics, Electronics, and Wiring
      • Drivetrain & Suspension
      • Ford / Lincoln General Discussion
      • SVT and Specialty Truck and SUV's
    • DODGE / JEEP SPECIFIC FORUMS
      • Dodge Engine & Exhaust Performance
      • Cummins Diesel Performance
      • Tuning, Diagnostics, Electronics, and Wiring
      • Drivetrain & Suspension
      • Dodge / Jeep General Discussion
      • SRT-10 "Viper" Trucks
      • Jeep GC SRT8
      • R/T & Dakota Trucks
    • FOREIGN & IMPORT SPECIFIC FORUMS
      • Foreign Performance Discussion
      • Foreign General Discussion
    • RACING, POWER, & EVENTS DEPARTMENT
      • Drag Racing
      • Dynamometer Results & Comparisons
      • General Truck Racing and Discussion
      • Events & Show Discussion
      • Racing and Kills Forum
    • GENERAL ACTIVITY, HOBBIES, & MULTIMEDIA FORUMS
      • THE TRUCK STOP
      • MULTIMEDIA (truck related)
      • WEAPONS
      • QUALITY PICS OF YOUR TRUCK!!!
      • BBQ, FOOD, RECIPES, DRINKS, & PARAPHERNALIA
      • PHOTOGRAPHY
      • IN MEMORY OF...
    • TRUCK OF THE QUARTER
      • Truck of the Quarter
    • REGIONAL FORUMS
      • Canada
      • Eastern
      • Western
      • Central & Northern
      • Southern
      • Texas
      • Military Truckers
    • SALES DEPARTMENT
      • CLASSIFIED SECTION GUIDELINES
      • Parts Classifieds
      • WTB (Wanted To Buy)
      • Member made Tools & Parts Classifieds
      • MASS Used Parts
      • Trucks and SUV Classifieds
      • Cars and Motorcycle Classifieds
      • Miscellaneous Classifieds
      • Member Feedback
  • Marketplace
    • Vendor Directory
    • Become a Vendor
  • New Posts
  • Tools
    • Car Payment Calculator
    • Tire Rim Calculator
    • Vin Decoder
    • Recalls
    • Technical Service Bulletins (TSBs)
    • Members List
    • Live Feed
  • Gallery
  • View Dark Mode
    • Please register or login to enable Dark Mode.
  • Log In
  • Register
PerformanceTrucks.net Forums
    • Threads
      • Advanced
Dark Mode

Please register or login to enable Dark Mode.

Log In

Forgot your Password?

By logging into your account, you agree to our Terms of Use and Privacy Policy, and to the use of cookies as described therein.
or
  • Recent
  • Commented
  • Albums
  • My Pictures

My Post Pictures

1FastBrick
September 30, 2015
 494
 0
Sort:
Default
  • Default
  • Most Recent
Driver side rear of block engine harness ground.
Driver side rear of block engine harness ground.
0 2016/03/06 23:18:27 1FastBrick
Gasket smashed flat.
Gasket smashed flat.
0 2016/03/07 20:55:02 1FastBrick
0 2016/03/15 16:06:59 1FastBrick
0 2016/03/15 16:07:17 1FastBrick
0 2016/04/21 21:32:58 1FastBrick
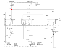
Factory Fan settings from a 2006 Silverado
Factory Fan settings from a 2006 Silverado
0 2016/04/23 08:54:18 1FastBrick
0 2016/04/29 22:03:50 1FastBrick
0 2016/05/26 19:34:35 1FastBrick
0 2016/05/26 19:35:02 1FastBrick
0 2016/05/26 19:36:17 1FastBrick
0 2016/05/26 19:36:36 1FastBrick
0 2016/05/26 19:36:55 1FastBrick
0 2016/05/26 19:37:18 1FastBrick
0 2016/05/26 19:37:31 1FastBrick
Tops
Tops
0 2016/05/30 12:17:18 1FastBrick
0 2016/05/30 12:17:49 1FastBrick
0 2016/05/30 12:18:33 1FastBrick
0 2016/05/30 12:18:47 1FastBrick
0 2016/05/30 12:19:47 1FastBrick
0 2016/05/30 12:20:01 1FastBrick
0 2016/05/30 12:20:36 1FastBrick
0 2016/06/04 08:48:44 1FastBrick
0 2016/06/04 08:49:00 1FastBrick
0 2016/06/09 11:00:31 1FastBrick
0 2016/06/13 21:05:46 1FastBrick
0 2016/07/02 22:38:57 1FastBrick
0 2016/07/02 22:39:04 1FastBrick
0 2016/07/02 22:39:11 1FastBrick
0 2016/07/02 22:39:17 1FastBrick
0 2016/07/02 22:39:30 1FastBrick
0 2016/07/02 22:39:35 1FastBrick
0 2016/07/02 23:45:06 1FastBrick
0 2016/07/02 23:45:11 1FastBrick
0 2016/07/02 23:45:16 1FastBrick
0 2016/07/02 23:45:20 1FastBrick
0 2016/07/02 23:45:27 1FastBrick
0 2016/07/02 23:45:31 1FastBrick
99-00 OS charging
99-00 OS charging
0 2016/07/15 14:58:53 1FastBrick
01-00 OS charging
01-00 OS charging
0 2016/07/15 14:59:39 1FastBrick
0 2016/07/20 20:07:23 1FastBrick
First
Page
2 of 13
Last
Go To
Page
  • 1
  • 2
  • 3
  • 4
  • 5
  • 6
  • 7
  • ...
  • 13
2 of 13
Go To GO
Go to page of 13 pages
  • 1
  • 2
  • 3
  • 4
  • 5
  • 6
  • 7
  • ...
  • 13

Top
PerformanceTrucks.net Forums
  • Contact Us
  • FAQ
  • Archive
  • Advertising
  • Cookie Policy
  • Privacy Statement
  • Terms of Service
  • Your Privacy Choices
  • Manage Preferences

© 2026 MH Sub I, LLC dba Internet Brands



When you click on links to various merchants on this site and make a purchase, this can result in this site earning a commission. Affiliate programs and affiliations include, but are not limited to, the eBay Partner Network.