TBSS 3SS -> HVAC schematics -> wiring on plug support request
#1
Hi everyone
I am hoping that someone could lean in and help.
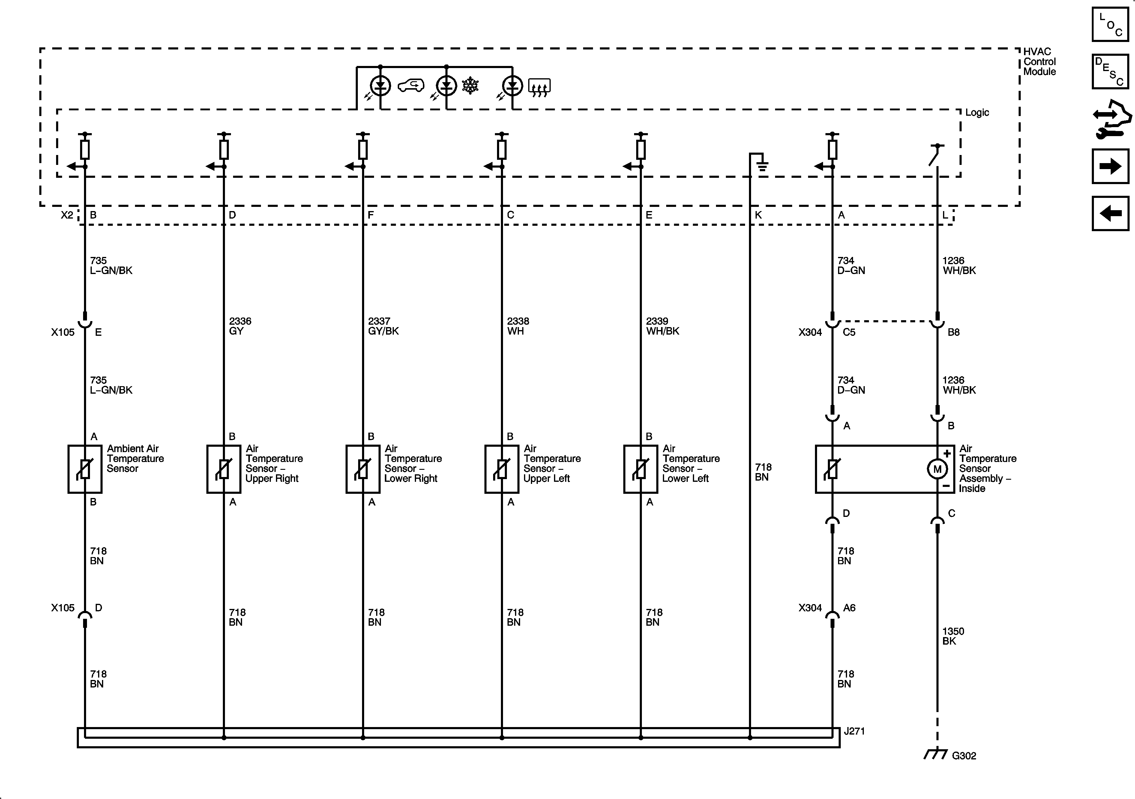
I am installing an aftermarket Auto dim mirror and would like to tap into the temperature feed wire on our HVAC -> 3SS model.
I would be VERY grateful if I could get some information -> IE Wiring schematics (wire colours etc) on the HVAC.
Thank you !!!
Regards
Frank
I am hoping that someone could lean in and help.
I am installing an aftermarket Auto dim mirror and would like to tap into the temperature feed wire on our HVAC -> 3SS model.
I would be VERY grateful if I could get some information -> IE Wiring schematics (wire colours etc) on the HVAC.
Thank you !!!
Regards
Frank
#2
The (old) mirror should have it wired up already???
On my 1ss it had the temp in the mirror but wasnt auto dimming....
How come you dont get a stock mirror that has it already then its plug n play???
Send a pm to jetttstream on here he has done alot of 1ss to 3ss function conversions (steering wheel controls ect ect)...
On my 1ss it had the temp in the mirror but wasnt auto dimming....
How come you dont get a stock mirror that has it already then its plug n play???
Send a pm to jetttstream on here he has done alot of 1ss to 3ss function conversions (steering wheel controls ect ect)...
#5
Hi thanks for your reply.
I dont think that i did a good job exlpaining here..
I have the OEM onstar mirror with the compass that has the small rectangle LED display
What i would like to be able to do (without running new wires to the front of the truck) is to replace the mirror with a similar one that has the RECTANGLE display with both TEMP and COMPASS.
I have already switched the mirrors + everything works except the TEMP....as it needs two wires to come from the TEMP probe that sits under the hood...
I was hoping that i could tap into the HVAC wires that give the TEMP display...
Please see attached pic...
mirror on left is old OEM one...on right side of pic is NEW TEMP COMPASS one..
THanks
frank
I dont think that i did a good job exlpaining here..
I have the OEM onstar mirror with the compass that has the small rectangle LED display
What i would like to be able to do (without running new wires to the front of the truck) is to replace the mirror with a similar one that has the RECTANGLE display with both TEMP and COMPASS.
I have already switched the mirrors + everything works except the TEMP....as it needs two wires to come from the TEMP probe that sits under the hood...
I was hoping that i could tap into the HVAC wires that give the TEMP display...
Please see attached pic...
mirror on left is old OEM one...on right side of pic is NEW TEMP COMPASS one..
THanks
frank
Thread
Thread Starter
Forum
Replies
Last Post
wrb002
Trucks and SUV Classifieds
0
Aug 25, 2015 03:56 PM
lxcoupe
FORCED INDUCTION
3
Aug 22, 2015 08:23 AM
maxspeed05V
GM Parts Classifieds
0
Aug 17, 2015 08:41 PM
1ss, 2003, 2007, 3ss, chevrolet, diagram, electrical, hvac, schematic, schematics, tahoe, tbss, trailblazer, wires, wiring




