need help
#1
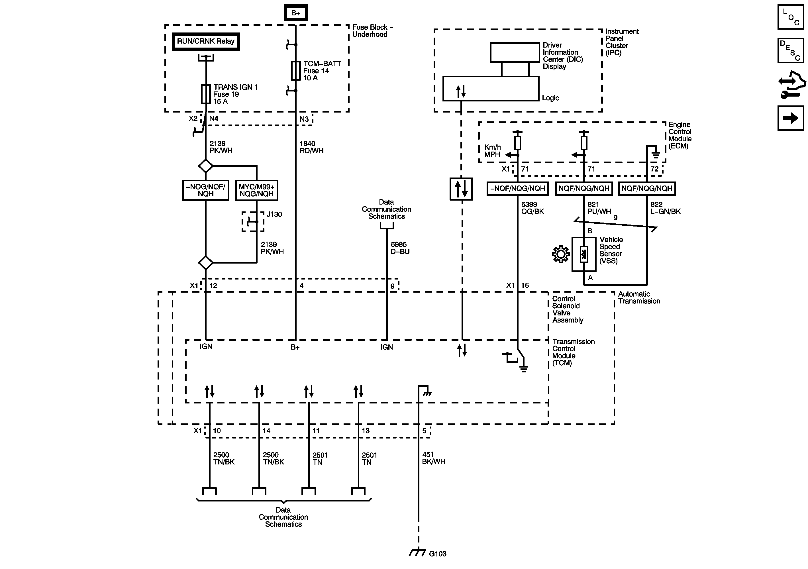
Hi, Can anybody get the wiring scimatic for a 2010 silverado
tow/haul switch, from PCM to gear shift lever ? need help badly.
Please send to turboal@aol.com. thanks in advance.
tow/haul switch, from PCM to gear shift lever ? need help badly.
Please send to turboal@aol.com. thanks in advance.
#5
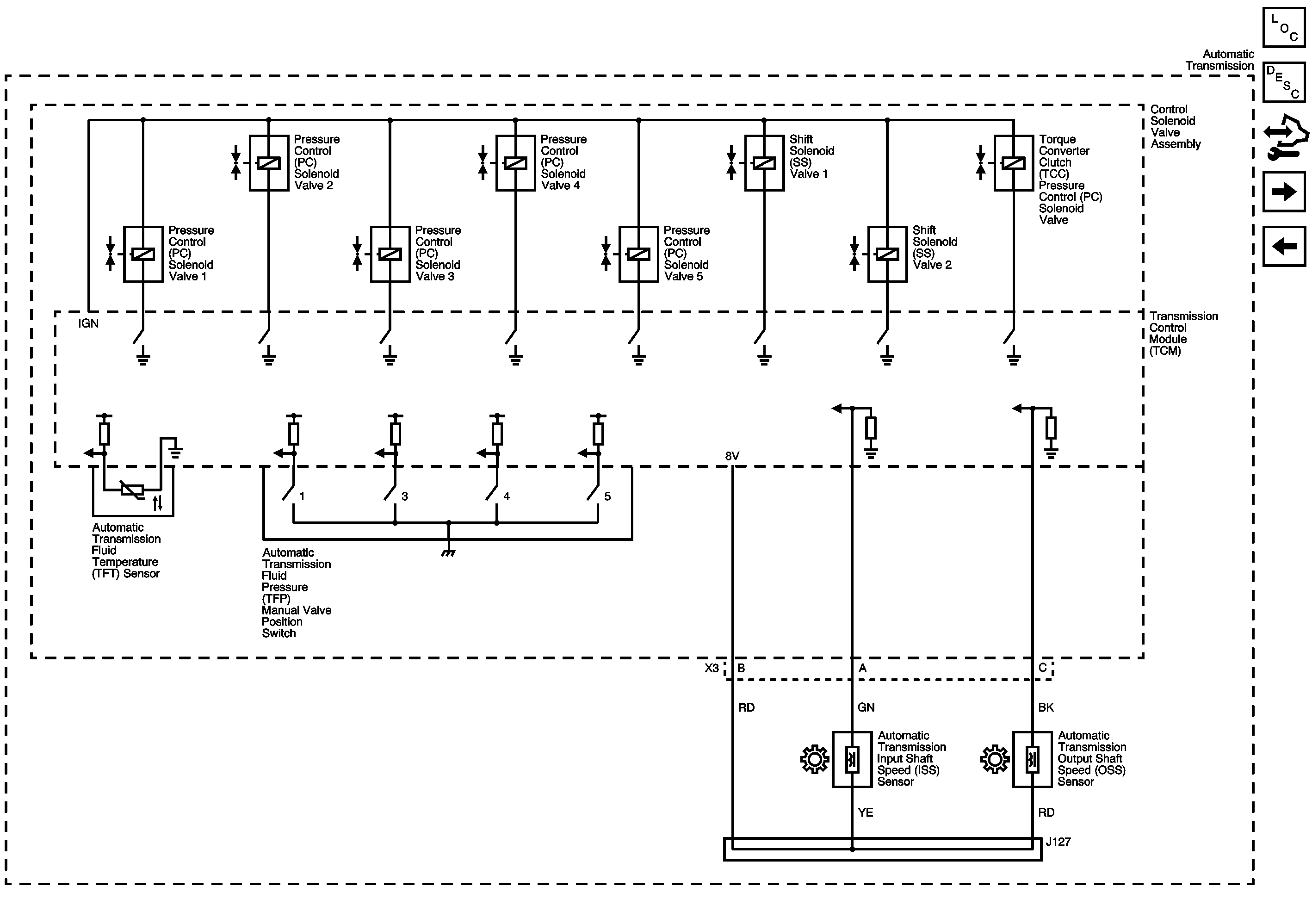
I am trying to make my 6spd manual mode work without having the BCM reflashed. if not possible, then ill just have my BCM reflashed with the 6L80e option. i guess you can say i need the TCM wiring harness and the manual switch button wiring diagram. on the shifter, its only 4 wires. 2 white and 2 black. 1 set is to the tow/haul and the others are the up/down of the manual shifter



